м2
Общая площадь построенных объектов
м2
Площадь построенных зданий и сооружений
м2
Площадь выполненного асфальтобетонного покрытия
метров
Протяженность построенных дорог
О нас
«Мы строим наше будущее»
Предприятие образовано в 2009 году и уже более 12 лет успешно выполняет на территории Туркменистана проекты по комплексному строительству различных объектов бытового и промышленного назначения, включая установки по обработке и опреснению воды.
В объем предоставляемых нами услуг входит также поставка оборудования и химических реагентов от ведущих мировых производителей, используемых при выполнении проектов.
Нашими партнерами и Заказчиками являются местные и зарубежные предприятия Туркменистана. Целью сотрудничества нашего предприятия является не только одноразовые поставки, а продолжительная техническая поддержка, и обратная связь от клиента
Узнать больше
Предлагаемые решения
«Мы строим наше будущее»
Предприятие, в соответствии с Законодательством Туркменистана, имеет лицензии на право выполнения строительных и проектных работ (код 41.20, 42.20, 42.91, 42.99, 43.1, 43.12, 43.22, 43.29, 43.31, 43.33, 43.34, 43.91, 43.99, 71.11, 71.12), работ по наладке и пуску специализированного оборудования и котлонадзору (код 42.3, 42.4), торговлю химической продукцией (код 46.75), перевозку специальных грузов (49.41), электротехнических и проектных работ(42.22.10, 43.21.50, 71.11.40)
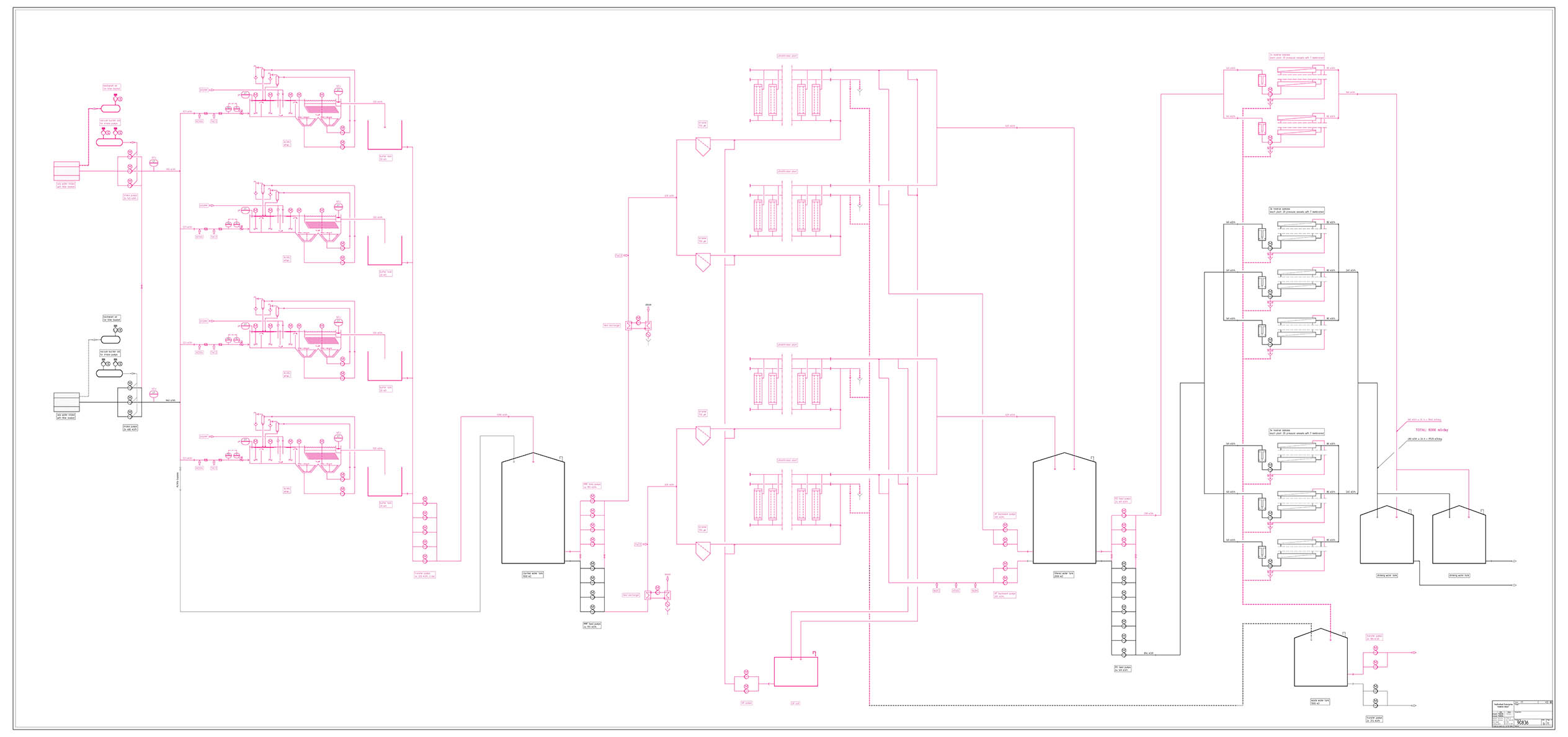
Проектирование и монтаж установок опреснения воды.
Комплексная обработка оборотной воды промышленных объектов химическими реагентами.
Строительно-монтажные работы, пуско-наладка оборудования различной сложности.
Консультационные услуги в различных производственных сферах реагентами.
Поставка оборудования и химических реагентов от ведущих мировых производителей. сложности.
Контакты
Мы здесь, чтобы помочь
Целью сотрудничества нашего предприятия является не только одноразовые поставки, а продолжительная техническая поддержка, и обратная связь от клиента
Головной офис
Адрес
Вел. Балкан, г.Балканабад
211-ый квартал, дом №72
ТРЦ «Хазар», Офис №3
Филиал г.Ашахабад
Адрес
г.Ашгабад, улица Ататюрка
БЦ «Беркарар» офис № В2
Филиал г.Туркменбаши
Адрес
Вел. Балкан, г.Туркменбаши,
улица
Связаться с нами




